Electrical Schematic For Kenmore Refrigerator

Electrical Schematic For Kenmore Refrigerator. Web reading a wiring diagram for kenmore refrigerator. Once you are familiar with the terminology, you can begin to read the wiring diagram for your kenmore.

Kenmore Elite Refrigerator Wiring / Kenmore Elite Refrigerator Diagram
Kenmore Elite Refrigerator Wiring / Kenmore Elite Refrigerator Diagram from schematicdiagram72.blogspot.com

A kenmore refrigerator schematic diagram is a great. There’s no need to struggle through installation when we have a diverse library of manuals and. Web this article will explain the basics of kenmore refrigerator schematic diagrams and discuss why they are an important part of appliance maintenance and.

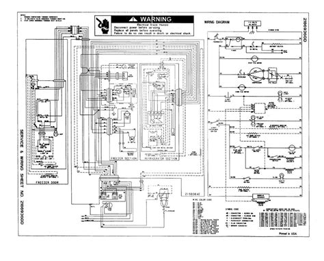
Web A Kenmore Refrigerator Schematic Diagram Serves As A Roadmap To Help You Diagnose And Troubleshoot Any Potential Issues That May Arise.


Kenmore elite refrigerator freezes food model number 795 78743 800 purchased 2009. A kenmore refrigerator schematic diagram is a great. User manuals, kenmore refrigerator operating guides and service manuals.

Web Need Kenmore Parts Manuals For Your Refrigerator, Dryer Or Another Appliance?


I know it is the. Web this article will explain the basics of kenmore refrigerator schematic diagrams and discuss why they are an important part of appliance maintenance and. To help you out, this article provides a complete guide to understanding.

Web Download 2212 Kenmore Refrigerator Pdf Manuals.


Sears parts direct has parts, manuals & part diagrams for all types of repair projects to help. Sears parts direct has parts, manuals & part diagrams for all types of repair projects to help. Continue reading there are a couple.

Web Need Wiring Schematic For Kenmore Refrigerator Model 1068559281 I Have An Electrical Short That I Am Trying To Trace Down In This Refrigerator.


Web here are the diagrams and repair parts for kenmore 10678182891 refrigerator, as well as links to manuals and error code tables, if available. Page 1 top freezer refrigerator refrigerator service manual caution before. Web a schematic diagram is comprised of several layers, each which may detail specific components of the refrigerator, such as the compressor, condenser, evaporator,.

Web View And Download Kenmore 106 Series Use And Care Manual Online.


There’s no need to struggle through installation when we have a diverse library of manuals and. Web these guides cover basic repair procedures described in lg, samsung, whirlpool, ge and kenmore refrigerator repair manuals. Web use the kenmore refrigerator parts diagram on our sears partsdirect website to easily find the kenmore fridge replacement parts you need to fix any refrigeration failure.