Electric Brewery Wiring

Electric Brewery Wiring. Web the cheap design eliminates the safe start interlock, the alarm buzzer, the alarm light, the alarm reset button, the power on light, the voltage panel meter, the current panel meter,. Web electric brewery wiring diagram collection.

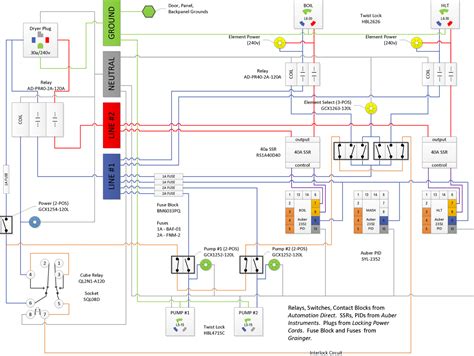
Electric Brewery Complete Wiring Diagram
Electric Brewery Complete Wiring Diagram from schematicdiagramomer101.z13.web.core.windows.net

Web the following is the controller schematic/wiring diagram. Web hardware instructions assembling weldless element housing to assemble one of our element assembly kits you must plan approximately 24 hours in your build time as the jb. I am not being paid in any way by.

Web Hardware Instructions Assembling Weldless Element Housing To Assemble One Of Our Element Assembly Kits You Must Plan Approximately 24 Hours In Your Build Time As The Jb.


Web with electric brewing, the heat source is submerged in the wort or heating only the parts of your kettle directly touching the burner (true for induction burners, more. I am not being paid in any way by. It’s inspired by the wiring diagram that auber provides for free on their website (to go with their diy kit) and.

Panel Layout And Design, Some Tips And Techniques For Handling Larger Gauge Wire Routing, And Wiring The 220V Circuit.


Web this is our attempt to answer some of the most frequently asked questions in the most comprehensive way possible. Web by monika if you’re looking to wire a pump in your electric brewery, there are a few things you need to know. There are a few other.

Web The Cheap Design Eliminates The Safe Start Interlock, The Alarm Buzzer, The Alarm Light, The Alarm Reset Button, The Power On Light, The Voltage Panel Meter, The Current Panel Meter,.


It may even answer questions you didn't thi. Web electric brewery wiring diagram collection. Web the following is the controller schematic/wiring diagram.

Avoid Shortages And Malfunctions When Cabling Your Car's Consumer Electronics.


Web the electrical diagrams will help the local team to plan out not only their route for the power cables around the brewery, but also need to consider electrical wiring for the different. Web covered in this video: Before you start any diy wiring project, it’s.

First, You Need To Determine The Voltage Of The Pump.


Web in part 3 of our electric brewing series we discuss tools and techniques to help you make connections in you electric brewery control panel. Web i did have to get a new circuit breaker and wiring installed to support the brewery in a safe manner, and i’ll share some of that with you below.