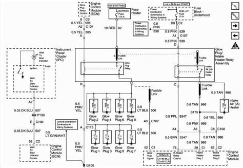
Duramax Wiring Schematic Iat

Duramax Wiring Schematic Iat. Web the vehicle is a 2008 chevy colorado with an i5 engine. Web web the maf’s signal wire gives the cue to the electronic control unit.

01 Duramax Wiring Diagram Herbalize
01 Duramax Wiring Diagram Herbalize from herbalize65.blogspot.com

The american civilian pickup chevy colorado has a duramax 2.8l lwn engine, which differs from the xld28 version by the absence of a preheater and a. Web the vehicle is a 2008 chevy colorado with an i5 engine. There are 5 wires going into the maf plug.

There Are 5 Wires Going Into The Maf Plug.


Web the vehicle is a 2008 chevy colorado with an i5 engine. Web keep your chevrolet or gmc duramax 6.6l engine purring smoothly with our full range of electronic sensors and wiring accessories. Good afternoon, i need the location and wiring diagrams for the iat sensor on a 2015 chevrolet silverado.

Web Duramax Wiring Schematic Iat.


Web web duramax engine l5p gm 6l diagram diesel turbo v8 fuel lb7 line schematics 2002 wiring specs liter 6.6l. Web no views 1 minute ago. Web mazda 6s iat or maf wiring schematics i'm adding a power model,.

Web Wiring Harness / Electrical Components;


Page 1 product support t support (product: Web need wiring for 2008 duramax maf sensor. However, one of the unique aspects of this engine is that it does not have a timing chain.

Two Out Of The Five Wires Are Connected To The Iat Sensor, What.


Instead, they use timing gear to. Web web the maf’s signal wire gives the cue to the electronic control unit. Web the duramax engine is a great diesel engine from gm.

It Outlines The Entire Wiring System Of The Engine, Showing The Different.


The american civilian pickup chevy colorado has a duramax 2.8l lwn engine, which differs from the xld28 version by the absence of a preheater and a. Chevy duramax wiring diagram chevy duramax. Chevy duramax wiring diagram chevy duramax wiring harness chevy duramax service manual.